井壁深穿透电控钻孔技术研究与现场试验

Research and Field Test of Electrically Controlled Sidewall Deep Penetrating Perforating Technology

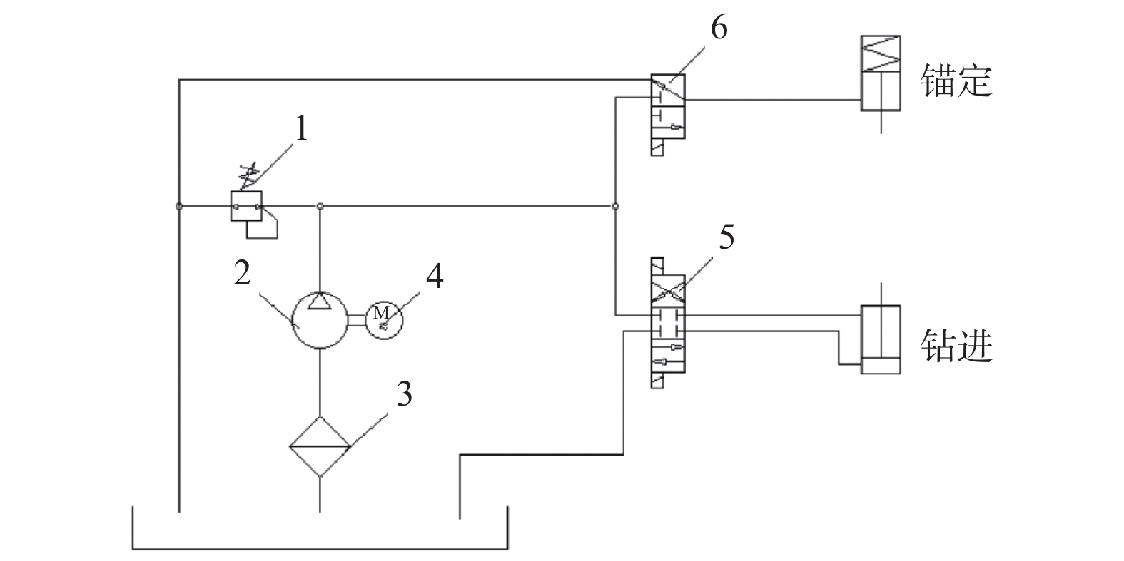
  • 摘要: 现有水力钻孔技术虽然弥补了传统火药射孔穿透距离短、有压实效应等不足,但施工时需要油管或连续管配合,作业周期长、成本高,而且仅依靠地面泵压信号难以直接准确监测施工进程。针对这一问题,进行了井壁深穿透电控钻孔技术研究。优选直流电机代替高压水泵作为施工的能量来源;采用电缆悬吊方式代替油管或连续管传送钻孔工具,通过电缆传输电能和发送控制命令控制钻孔作业;研制实时监测系统,以及时准确地监测地层钻进过程,形成了井壁深穿透电控钻孔系统。地面试验和现场试验证明,该技术可钻入地层2.00 m以上,形成直径20.0~30.0 mm的孔道,其监测系统通过识别和记录井下霍尔传感器在地层钻进时产生的脉冲电信号,可及时准确地计算出实际钻孔长度。研究结果表明,井壁深穿透电控钻孔技术采用电缆传送,高效、快速、成本低,很好地弥补了传统火药射孔的不足,为沟通改造近井地层提供了一种新方法;同时,该技术的监测系统可在施工时对钻进长度等参数实时监测,解决了现有水力钻孔技术无法监测施工进程的问题。

     

    Abstract: Traditional explosive perforation is subject to a short penetration distance and a compaction effect. Although the existing hydraulic perforating technology has remedied the deficiencies, it needs to cooperate with oil tubing or coiled tubing, with a long operation period and a high cost. Also, it is difficult to monitor the construction process directly and accurately only with surface pump pressure signals. With regard to this problem, research was performed on electrically controlled sidewall deep penetrating perforating technology (ECSDPPT). DC motors were selected to replace high-pressure water pumps as the energy source. Perforating tools were suspended by electric cables for transmission instead of oil tubing or coiled tubing, and the cables also transmitted electrical energy and delivered commands to control perforating operations. A real-time monitoring system was developed to monitor the drilling process into formations timely and accurately. As a result, an electrically controlled sidewall deep penetrating perforating system was built. Ground and field tests prove that the ECSDPPT enables the drilling into formations by over 2.00 m, forming a borehole with a diameter of 20.0–30.0 mm. The monitoring system can accurately calculate the actual perforating length in time by identifying and recording the electric pulse signals from a downhole Hall sensor during formation drilling. The research results demonstrate that the ECSDPPT relying on cable transmission is fast, efficient and low-cost. It overcomes the shortcomings of conventional explosive perforation, providing a new method for connecting and reforming near wellbore formations. In addition, the monitoring system can record the drilling length and other parameters in real time during construction, effectively solving the failure of the existing hydraulic perforating technology in monitoring the working process.

     

/

返回文章
返回