油套环空垂直上升环状流压降预测模型研究

Pressure Drop Prediction Model for Vertically Upward Annular Flow in Annular Space of Oil Tube and Casing

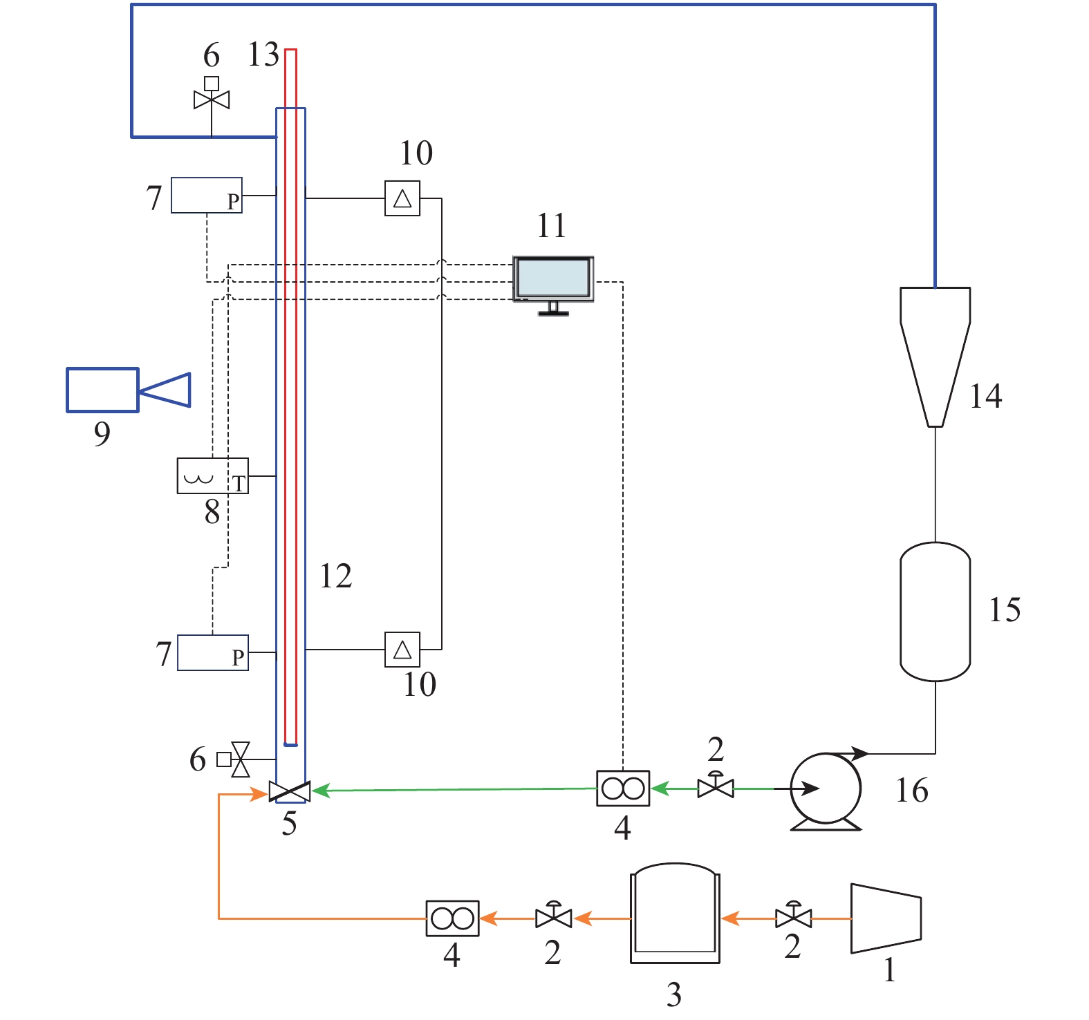
  • 摘要: 针对高气液比环空多相流试验研究不充分且压降预测精度不高的问题,以水和空气为试验介质,选择2种油套管组合(油管外径和套管内径分别为38.5 mm×62.0 mm、38.5 mm×76.0 mm),在长11.5 m的测试管内开展试验研究。试验发现,对于垂直向上的环状流,随着气液表观流速增大,总压降增大,且总压降增长幅度随着气相速度增大而一直增大;气液表观流速相同时,管道的截面积越小,摩阻压降越大。考虑环空环状流内外管两层液膜流速的差异,基于文献1建立了环空环状流压降计算方法,计算了液膜与管壁及液膜与气芯之间的摩阻系数;结合液膜和气芯之间的动量平衡条件,利用文献4给出的内外管液膜厚度比相关式,建立了新的环空环状流压降预测模型。用试验数据对新模型和现有模型进行了对比验证,结果表明,新模型预测误差小于10%,结果较为可靠,可为油套环空压力预测、气举管柱设计及油井生产工况分析等提供理论基础。

     

    Abstract: In view of insufficient experimental research on annular multiphase flow tests with high gas-liquid ratios and low prediction accuracy of pressure drop, water and air were selected as the experimental media, and the two different combinations of oil tube and casing (The outer diameter of the oil tube and the inner diameter of the casing were 38.5 mm × 62.0 mm and 38.5 mm × 76.0 mm, respectively) were selected. Moreover, experimental studies were carried out in an 11.5 m long test tube. The experimental results show that the total pressure drop increases with the increase as the apparent gas-liquid flow rate increases for vertically upward annular flow. The increase in the total pressure drop accelerates as the gas flow rate rises. At the same apparent gas-liquid flow rate, the friction pressure drop of the tube with a smaller cross-sectional area is larger. Based on the pressure drop calculation method for annular flow in the annular space established in the literature 1, the flow rate difference between liquid films of annular flow in the annular space inside and outside the tube is considered in calculating the friction coefficient between liquid film and tube wall and between liquid film and gas core. According to the momentum balance condition between the liquid film and the gas core, the thickness ratio equation for liquid films inside and outside the tube given by literature 4 is employed. The new pressure drop prediction model for annular flow in the annular space is developed and compared with the existing model for verification based on the experimental data. The results show that the calculation error of the new model is less than 10%, and the prediction results are reliable, which can provide a theoretical basis for the prediction of annular pressure in oil tubes and casing, gas lift design, and the analysis of oil well production conditions.

     

/

返回文章
返回