结合钻井工况与Bi-GRU的溢流与井漏监测方法

A Kick and Lost Circulation Monitoring Method Combining Bi-GRU and Drilling Conditions

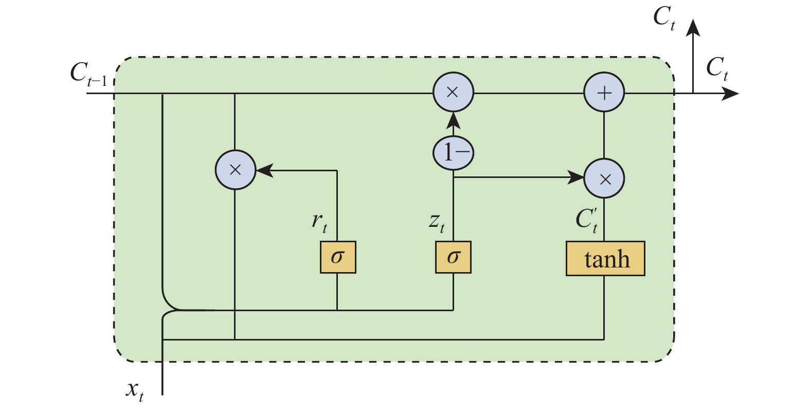
  • 摘要: 现有根据钻井液池体积和钻井液出口流量变化监测溢流与井漏的方法,未考虑开、停泵工况对出口流量和钻井液池体积变化的影响,易导致误报。为了降低误报率,分析了钻井工况与钻井液池体积和钻井液出口流量之间的相关关系,提出了一种结合钻井工况与双向门控循环单元(bidirectional-gated recurrent unit, Bi-GRU)的溢流与井漏智能监测方法。利用23口井的溢流与井漏监测数据,对提出的模型与现有典型模型分别进行了测试,结果表明:基于Bi-GRU的溢流与井漏智能监测模型的识别准确率为94.25%,优于其他模型;与未考虑钻井工况的Bi-GRU模型相比,误报率由12.52%降至1.12%。研究表明,该方法能够消除溢流与井漏监测时因开、停泵导致的风险误报,能为安全钻井提供技术支持。

     

    Abstract: The existing kick and lost circulation monitoring methods using pot volume and outlet flow of drilling fluids do not consider the influence of the pump on and off on the outlet flow, and pot volume of drilling fluids. So it can easily lead to false alarm. In order to address this problem, the correlation of drilling conditions with pot volume and outlet flow of drilling fluids was established, and an intelligent kick and lost circulation monitoring method combining a bidirectional-gated recurrent unit (Bi-GRU) and drilling conditions was proposed. The proposed model and other representative models for kick and lost circulation monitoring were tested by using the data collected from 23 wells. The experimental results show that the identification accuracy of the proposed model achieves 94.25%, which is superior to those of the other models. Compared with that of the Bi-GRU model without considering the drilling conditions, the false alarm rate of the proposed model drops from 12.52% to 1.12%. The proposed method reduces the false alarms caused by pump on and off states during kick and lost circulation monitoring, and these findings can provide technical support for safe drilling.

     

/

返回文章
返回