CO2响应性增强泡沫体系室内试验研究

Laboratory Test Study of CO2 Responsive Enhanced Foam System

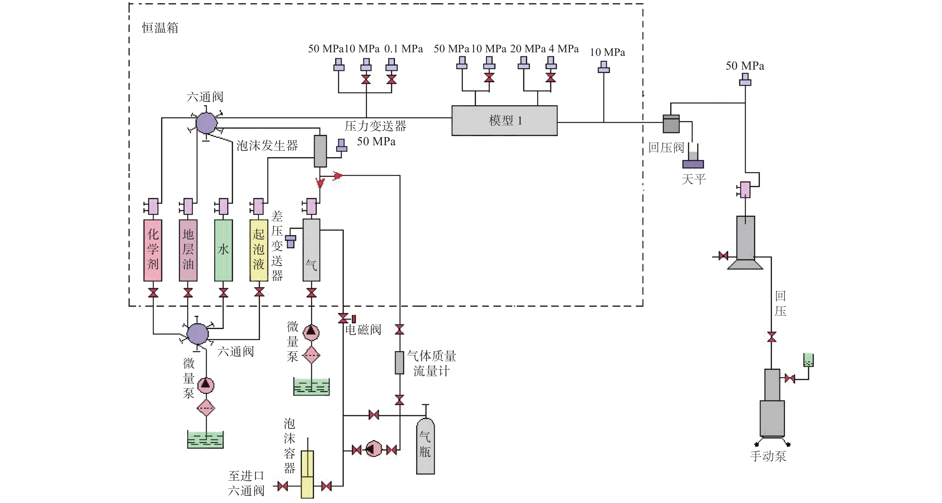
  • 摘要: 为解决低渗透油藏CO2驱气体窜流影响开发效果的问题,以泡沫综合值为评价指标,通过搅拌法优选发泡剂,建立了CO2响应性增强泡沫体系,配方为0.1%发泡剂AOS+4.0%小分子胺+水。该体系在接触CO2前黏度与水接近,与CO2作用后黏度可升高18倍以上。性能评价结果显示:CO2响应性增强泡沫体系的泡沫综合值可达到常规泡沫体系的11倍以上;具有明显的剪切稀释特性,流变方程符合幂律流体流变模式;比常规泡沫体系具有更强的黏弹性,可以封堵优势渗流通道,抑制非均质低渗透油藏CO2驱气体窜流,提高低渗透油藏CO2驱的采收率。研究结果表明,CO2响应性增强泡沫体系可以解决低渗透油藏CO2气体窜流问题,提高CO2驱的开发效果。

     

    Abstract: The development effect of CO2 flooding in low permeability reservoirs is affected by the gas channeling. In response to this problem, the foam comprehensive value was used as the evaluation index to establish CO2 responsive enhanced foam system by optimizing foaming agent with stirring method. The formula was 0.1% foaming agent AOS(alpha olefin sulfonate) adding 4.0% small molecule amine and water. Its viscosity, which was close to water viscosity before exposure to CO2, increased by more than 18 times after reaction with CO2. The results of performance evaluation indicated the foam comprehensive value of the proposed CO2 responsive enhanced foam system could reach more than 11 times those of conventional foam systems, with obvious shear-thinning characteristics. The rheological equation conformed to the rheological model of power-law fluids. With stronger viscoelasticity than those of conventional foam systems, the proposed foam system could also be used to plug the dominant seepage channels to inhibit the gas channeling during CO2 flooding in heterogeneous low permeability reservoirs and ultimately to enhance the oil recovery in such reservoirs. The research results showed that the CO2 responsive enhanced foam system could solve the problem of gas channeling and improve the development effect of CO2 flooding in low permeability reservoirs.

     

/

返回文章
返回