S135钻杆接头缺口疲劳行为研究

A Study of the Notch Fatigue Behavior of S135 Drill Pipe Joint

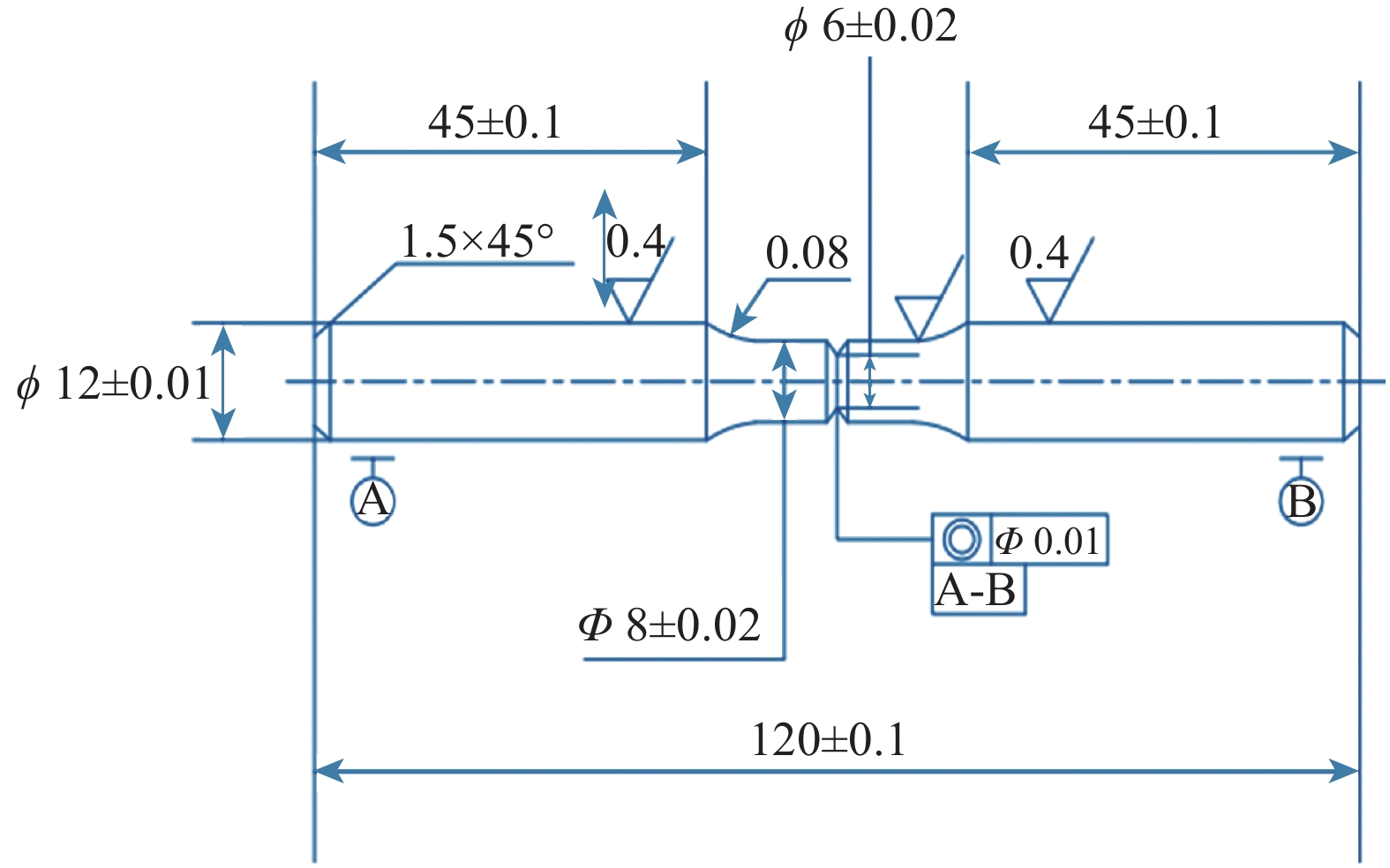
  • 摘要: 钻杆接头疲劳失效是钻杆失效的主要形式,因此,为提高钻杆的使用寿命,对S135钻杆接头的疲劳行为进行了研究。根据钻杆接头的受力特征设计了疲劳试样,采用PQ–6型旋转弯曲疲劳试验机和扫描电镜研究了应力集中对S135钻杆疲劳性能的影响。结果表明:S135钻杆疲劳性能对V形缺口具有一定的敏感性;缺口根部半径越小,应力集中系数越大,对疲劳性能的影响越严重,应力集中系数和疲劳强度符合幂函数关系;疲劳裂纹从缺口根部开始萌生,存在许多裂纹源(呈环形排列);应力相同时,随着应力集中系数增大,缺口根部的撕裂现象减弱,断口变得光滑、平整,疲劳条纹变得细而密。研究结果表明:对钻杆接头螺纹的牙型进行优化设计,可以降低或减缓齿根的应力集中,降低S135钻杆疲劳对缺口的敏感性,提高S135钻杆的使用寿命。

     

    Abstract: Drill pipe joint fatigue is the main form of drill pipe failure. In order to improve the safety fatigue life of drill pipe, the notch fatigue behavior of S135 drill pipe joint has been studied. The fatigue specimens were designed according to the force characteristics of drill pipe joint, and the influence of stress concentration on the fatigue performance of S135 drill pipe was studied by PQ-6 rotary bending fatigue tester and scanning electron microscope. The results showed that the fatigue of S135 drill pipe exhibited certain sensitivity to the V-notch. The smaller the notch root radius, the larger the stress concentration factor, and the more serious impact on the fatigue performance. The stress concentration factor and the fatigue strength are in accordance with the power function relationship. The process is as follows: the fatigue crack starts from the root of notch, and many sources of cracks existed (in annular arrangement). When the stress is the same, the tearing phenomenon at the root of notch weakens with the increase of stress concentration factor, the fracture becomes smooth and flat, and the fatigue fringes become fine and dense. The research results showed that the optimal design of the drill pipe thread joint could reduce or alleviate the stress concentration of the root, reduce the fatigue sensitivity of S135 drill pipe to the notch, and improve the safety by better mapping the fatigue life of S135 drill pipe.

     

/

返回文章
返回